Профиль SL-LINIA45-FANTOM-2000 ANOD (Arlight, Алюминий) 027160 в Набережных Челнах
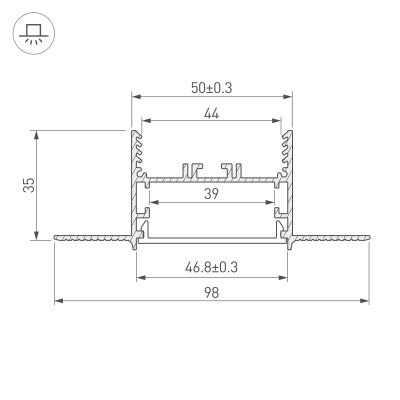
Встраиваемый профиль из анодированного алюминия со скрытым фланцем и площадкой для установки блока питания шириной 44 мм под строительную отделку устанавливается в потолки и потолочные ниши из гипсокартона для основного освещения и контурной подсветки помещений. Габаритные размеры профиля составляют 2000 мм в длину, 98 мм в ширину и 35 мм в высоту. Площадка для установки светодиодных лент позволяет использовать ленту шириной до 39 мм и мощностью до 60 Вт/м. Это обеспечивает гибкость в выборе светодиодных лент и создает потрясающие световые решения. Экраны, заглушки и другие аксессуары не включены в комплект и приобретаются отдельно. Цена указана за 1 метр профиля. Отличное решение для создания современных световых проектов.
Алюминиевый анодированный профиль для светодиодных лент и линеек, с площадкой для размещения БП. Габаритные размеры (L×W×H): 2000x98x35 мм. Паз для установки 53х35 мм. Ширина площадки для ленты 39 мм. Экраны, заглушки и другие аксессуары приобретаются отдельно. Цена за 1 метр.
027160 Arlight Профиль Встраиваемый со скрытым фланцем С фланцем Серебристый в Набережных Челнах
Вы можете заказать Профиль Arlight с доставкой или самовывозом в Набережных Челнах
просто достаточно позвонить менеджеру и сообщить артикул товара: 027160 или оформить заказ на сайте Arlight Shop Набережные Челны
Инструкции и файлы
Характеристики
|
Объем м3
|
0.00686 |
|
Гарантия м.
|
36 |
|
Материал корпуса
|
Алюминий |
|
Способ монтажа
|
Встраиваемый со скрытым фланцем |
|
Назначение
|
Для ГКЛ |
|
Форма (сечение)
|
С фланцем |
|
Цвет покрытия
|
Серебристый |
|
Тип товара
|
Профиль |
|
Гарантийный срок
|
3 год(а) |
|
Модельный ряд
|
SL-LINIA |
|
Способ установки профиля
|
Встраиваемый со скрытым фланцем |
|
КПД профиля (cветовой)
|
90 % |
|
Рассеиваемая тепловая мощность на 1м
|
max: 60.8 W |
|
Ширина световой линии
|
42 мм |
|
Внешний вид поверхности
|
Матовая |
|
Покрытие поверхности
|
Анодирование |
|
Длина
|
2000 мм |
|
Ширина
|
98 мм |
|
Высота
|
35 мм |
|
Ширина площадки
|
39 мм |
|
Глубина установки источника света
|
17 мм |
|
Кратность цены за 1 м/шт
|
1 |
|
Мощность (прайс)
|
60.8 Вт |




